??? ega sa ometi varem midagi sellist ei lootnud ?Aga elu peab olema huvitav, lülitasin geneka välja, tõmbasin temast pistiku välja. Garaazhi pessa unustasin. Siis lülitasin maja pealüliti. Tulemuseks oli veendumus, et ei C (garaazhi toiteliini ees) ega ka D (maja PK) karakteristikuga MCB-del pole 3-f lühisel selektiivsust,.
Generaatori valik varutoiteks?
-
trebla
- Ehituspenskar

- Postitusi: 3401
- Liitunud: 04 Aug 2009, 00:27
- On tänanud: 4 korda
- On tänatud: 66 korda
Re: Generaatori valik varutoiteks?
Lugemata postitus Postitas trebla »
-
kunn24
- Ehituspenskar

- Postitusi: 4378
- Liitunud: 11 Veebr 2018, 14:45
- On tänanud: 48 korda
- On tänatud: 146 korda
Re: Generaatori valik varutoiteks?
Lugemata postitus Postitas kunn24 »
-
ping
- Ehituspenskar

- Postitusi: 6324
- Liitunud: 28 Jaan 2016, 10:35
- On tänanud: 116 korda
- On tänatud: 298 korda
Re: Generaatori valik varutoiteks?
Lugemata postitus Postitas ping »
Heldimusega meenub kooliaeg, kus seda katset sai praktiliselt korduvalt tehtud ja isegi kutsekooli töökojad tööpinkidega pimedusse jäetud.
-
ping
- Ehituspenskar

- Postitusi: 6324
- Liitunud: 28 Jaan 2016, 10:35
- On tänanud: 116 korda
- On tänatud: 298 korda
Re: Generaatori valik varutoiteks?
Lugemata postitus Postitas ping »
Aga tasuks katsetamist, et kuidas talub inverter elulist olukorda, kus generaator on pidevalt koormatud näiteks 1kW koormusega ja kui samal hetkel käivitub külmiku assünkroonmootoriga kompressor oma käivitusvoolu impulsiga?kunn24 kirjutas: 25 Jaan 2023, 00:21 ... Samas jõudis kenasti vedada garaazhi ÕSP-d ja valgustust ning majas olevaid väiketarbijaid ja gaasikatelt. Millest piisas. Tõenäoliselt laseb ka kohvimasinat lülitada, kui garaazhis tarbimist piirata. Jäi katsetamata küll. ...
*) Kas seade seskub?
*) Lülib välja ja hakkab mõne hetke pärast uuesti ise tootama?
*) Vajab korduskäivitamist?
*) Või tuleb seade garantiisse viia?
-
kunn24
- Ehituspenskar

- Postitusi: 4378
- Liitunud: 11 Veebr 2018, 14:45
- On tänanud: 48 korda
- On tänatud: 146 korda
Re: Generaatori valik varutoiteks?
Lugemata postitus Postitas kunn24 »
Kuid katsetasin garaazhis päevavalguslampide massilise lülitamisega ja sellega ei tekkinud probleemi.
Lisasin kütteseadmega koormusvõimsust 1 kW ja lülitasin 700 W rellaka, ei olnud ka teemat.
Inverteri kaitse rakendumist testisin kütte- koormuse lisamisega (alguses 1,85 kW, ei vilgutanud, siis lisasin 1 kW "fööni"), vilgutas ligi 5 s punast ja siis lülitus välja, geneka mootor jäi tööle koormuseta. Sellel genekal Reset nuppu pole, tuli mootori Off nuppu vajutada kuni pea-aegu seiskumiseni ja lahti lasta. Ligi 10s pärast laskis inverteri uuesti tööle. Kas tal on mingi aja pärast Autorestart, ei kontrollinud.
Huvitaval kombel tuli tehasest õliga, kuid see oli 0 C juures nii paks, et niristasin välja ja täitsin 5W30-ga.
Pöörete muutmine sõltuvalt koormusest töötab üllatavalt korralikult.
----
Mul tekkis juba eile küss, kas daebuu garantiid siin keegi üldse teeb? Poolakale saatsin meili sama päringuga, kuid see on vait.*) Või tuleb seade garantiisse viia?
-
ping
- Ehituspenskar

- Postitusi: 6324
- Liitunud: 28 Jaan 2016, 10:35
- On tänanud: 116 korda
- On tänatud: 298 korda
Re: Generaatori valik varutoiteks?
Lugemata postitus Postitas ping »
Tänapäeval toimub garantiiremondi teostamine ka vähempakkumisega ja ei pruugi isegi 1000km raadiuses toimuda ning võib aasta jooksul muuta asukohta/riiki.kunn24 kirjutas: 25 Jaan 2023, 16:33 ----Mul tekkis juba eile küss, kas daebuu garantiid siin keegi üldse teeb? Poolakale saatsin meili sama päringuga, kuid see on vait.*) Või tuleb seade garantiisse viia?
Tahtsin ühte seadet viia garantiiremonti Mustamäele.
Seal öeldi, et jäid hiljaks nädala, sest nende leping just lõppes ja nüüdsest teostab garantiiremonti meie regioonis üks firma Sloveenias, kes võitis vähempakkumise.
Viisin asja müüjale ning see saatis ise, oma kuludega seadme garantiiremonti.
-
Küülaline
- Ehituspenskar

- Postitusi: 6685
- Liitunud: 02 Veebr 2009, 22:46
- On tänanud: 112 korda
- On tänatud: 149 korda
Re: Generaatori valik varutoiteks?
Lugemata postitus Postitas Küülaline »
Huvitav, mis variandid siis veel on?generators kirjutas: 22 Veebr 2023, 08:15Mõned populaarsed kütusevariandid on bensiin, propaan ja diislikütus
-
Walter2
- Ehitusspets

- Postitusi: 647
- Liitunud: 11 Juun 2016, 21:54
- On tänanud: 7 korda
- On tänatud: 30 korda
Re: Generaatori valik varutoiteks?
Lugemata postitus Postitas Walter2 »
-
ping
- Ehituspenskar

- Postitusi: 6324
- Liitunud: 28 Jaan 2016, 10:35
- On tänanud: 116 korda
- On tänatud: 298 korda
Re: Generaatori valik varutoiteks?
Lugemata postitus Postitas ping »
Sõjatsoonis ja Aasias kasutatakse sädesüütemootoritega generaatorite toiteks ka puugaasigeneraatoreid ja plast/kummijääkidest "ise keedetud" vedelkütuseid.Küülaline kirjutas: 22 Veebr 2023, 09:36Huvitav, mis variandid siis veel on?generators kirjutas: 22 Veebr 2023, 08:15Mõned populaarsed kütusevariandid on bensiin, propaan ja diislikütus
-
Ardi
- Ehitusguru

- Postitusi: 874
- Liitunud: 26 Okt 2006, 21:32
- Asukoht: Raplamaa,Juuru
- On tänanud: 1 korda
- On tänatud: 3 korda
Re: Generaatori valik varutoiteks?
Lugemata postitus Postitas Ardi »
Aga vanaõli?ping kirjutas: 22 Veebr 2023, 10:57Sõjatsoonis ja Aasias kasutatakse sädesüütemootoritega generaatorite toiteks ka puugaasigeneraatoreid ja plast/kummijääkidest "ise keedetud" vedelkütuseid.Küülaline kirjutas: 22 Veebr 2023, 09:36Huvitav, mis variandid siis veel on?generators kirjutas: 22 Veebr 2023, 08:15Mõned populaarsed kütusevariandid on bensiin, propaan ja diislikütus
![]()
Osutan ka palgisaagimisteenust mobiilse lintsaekaatriga.
-
ping
- Ehituspenskar

- Postitusi: 6324
- Liitunud: 28 Jaan 2016, 10:35
- On tänanud: 116 korda
- On tänatud: 298 korda
Re: Generaatori valik varutoiteks?
Lugemata postitus Postitas ping »
Vanaõli saab põletada survesüüte (diesel) mootoris aga sobivad, inimjõul käivitatavad piisavalt väiksed mootorid on tehnoloogiliselt keerulisema ehitusega ja seetõttu vähem levinud.Ardi kirjutas: 22 Veebr 2023, 19:07Aga vanaõli?ping kirjutas: 22 Veebr 2023, 10:57Sõjatsoonis ja Aasias kasutatakse sädesüütemootoritega generaatorite toiteks ka puugaasigeneraatoreid ja plast/kummijääkidest "ise keedetud" vedelkütuseid.Küülaline kirjutas: 22 Veebr 2023, 09:36Huvitav, mis variandid siis veel on?generators kirjutas: 22 Veebr 2023, 08:15Mõned populaarsed kütusevariandid on bensiin, propaan ja diislikütus
("Lihtsa ehitusega" dieselmootorite inimjõul käivitamine jahedas on vägagi problemaatiline ja selle tegevuse nüanssidest saab lugeda näiteks küüditatute memuaaridest, et kuidas käivitati siberis kuumpeapaadimootoreid.
Või uurides, et kuidas käivitada mudellennuki mootorit.)
-
Ardi
- Ehitusguru

- Postitusi: 874
- Liitunud: 26 Okt 2006, 21:32
- Asukoht: Raplamaa,Juuru
- On tänanud: 1 korda
- On tänatud: 3 korda
Re: Generaatori valik varutoiteks?
Lugemata postitus Postitas Ardi »
Vanaõli mootoris põletamine rikub mootorit, kuna vanaõli sisaldab ka mineraale mis ei põle ja ladestuvad mootorisse. Pigem saaks vanaõlist elektrit, kui toota suruauru aurugeneraatoriga ja auruturbiini abil käitada generaatorit.ping kirjutas: 22 Veebr 2023, 21:53Vanaõli saab põletada survesüüte (diesel) mootoris aga sobivad, inimjõul käivitatavad piisavalt väiksed mootorid on tehnoloogiliselt keerulisema ehitusega ja seetõttu vähem levinud.Ardi kirjutas: 22 Veebr 2023, 19:07Aga vanaõli?ping kirjutas: 22 Veebr 2023, 10:57Sõjatsoonis ja Aasias kasutatakse sädesüütemootoritega generaatorite toiteks ka puugaasigeneraatoreid ja plast/kummijääkidest "ise keedetud" vedelkütuseid.Küülaline kirjutas: 22 Veebr 2023, 09:36Huvitav, mis variandid siis veel on?generators kirjutas: 22 Veebr 2023, 08:15Mõned populaarsed kütusevariandid on bensiin, propaan ja diislikütus
("Lihtsa ehitusega" dieselmootorite inimjõul käivitamine jahedas on vägagi problemaatiline ja selle tegevuse nüanssidest saab lugeda näiteks küüditatute memuaaridest, et kuidas käivitati siberis kuumpeapaadimootoreid.
Või uurides, et kuidas käivitada mudellennuki mootorit.)
![]()
Osutan ka palgisaagimisteenust mobiilse lintsaekaatriga.
-
ping
- Ehituspenskar

- Postitusi: 6324
- Liitunud: 28 Jaan 2016, 10:35
- On tänanud: 116 korda
- On tänatud: 298 korda
Re: Generaatori valik varutoiteks?
Lugemata postitus Postitas ping »
Millegipärast tundub, et aurumasinast unistavad need, kellel endal pole olnud võimalust mitte kunagi aurukatelt aururežiimis hoida, ega ei tea aurumasina kasutegurit.Ardi kirjutas: 23 Veebr 2023, 20:16 ... Pigem saaks vanaõlist elektrit, kui toota suruauru aurugeneraatoriga ja auruturbiini abil käitada generaatorit.
-
Kalvis
- Ehituspenskar

- Postitusi: 11557
- Liitunud: 03 Veebr 2008, 14:02
- On tänanud: 4 korda
- On tänatud: 333 korda
Re: Generaatori valik varutoiteks?
Lugemata postitus Postitas Kalvis »
Igasuguste auruturbiinide ja aurumasina ehitamine läheb kodus ulme valdkonda. Pole võimalik saavutada õiget määrimist (kus saate määrded?) ega vajalikku täpsust, see viib kasuteguri alla). Tööstuslikke seadmeid ei pakuta. (200 a muuseumieksponaat kah ei sobi)
-
kunn24
- Ehituspenskar

- Postitusi: 4378
- Liitunud: 11 Veebr 2018, 14:45
- On tänanud: 48 korda
- On tänatud: 146 korda
Re: Generaatori valik varutoiteks?
Lugemata postitus Postitas kunn24 »
Re: Generaatori valik varutoiteks?
Lugemata postitus Postitas arkoko »
- Screenshot 2023-12-31 120707.png (16.16 KiB) Vaadatud 7200 korda
-
kunn24
- Ehituspenskar

- Postitusi: 4378
- Liitunud: 11 Veebr 2018, 14:45
- On tänanud: 48 korda
- On tänatud: 146 korda
Re: Generaatori valik varutoiteks?
Lugemata postitus Postitas kunn24 »
Enne küsimuse esitamist tulnuks see teadmatus likvideerida. Hetkel pole võimalik midagi vastata. Samuti tuleb täpselt selgeks teha, kas pump ise on ikka 3-f.ma küll täpselt ei tea kas 16 kW on kokku koos tenniga või täisvõimsus on 16 + 9
Re: Generaatori valik varutoiteks?
Lugemata postitus Postitas arkoko »
Ehk siis:
WH-UX16HE8 > Aquarea Outdoor Unit T-CAP - 16 kW Three-Phase
WH-ADC0916H9E8 > Indoor Unit Aquarea Split Generation H - 9 kW Three-Phase, Max current 13A
Rohkem parameetreid siin
Ise arvan, et hädaolukorras saab tenni toite kilbis välja lülitada, kui just -25 väljas ei ole.
-
kunn24
- Ehituspenskar

- Postitusi: 4378
- Liitunud: 11 Veebr 2018, 14:45
- On tänanud: 48 korda
- On tänatud: 146 korda
Re: Generaatori valik varutoiteks?
Lugemata postitus Postitas kunn24 »
https://www.aircon.panasonic.eu/EE_et/m ... h-ux16he8/
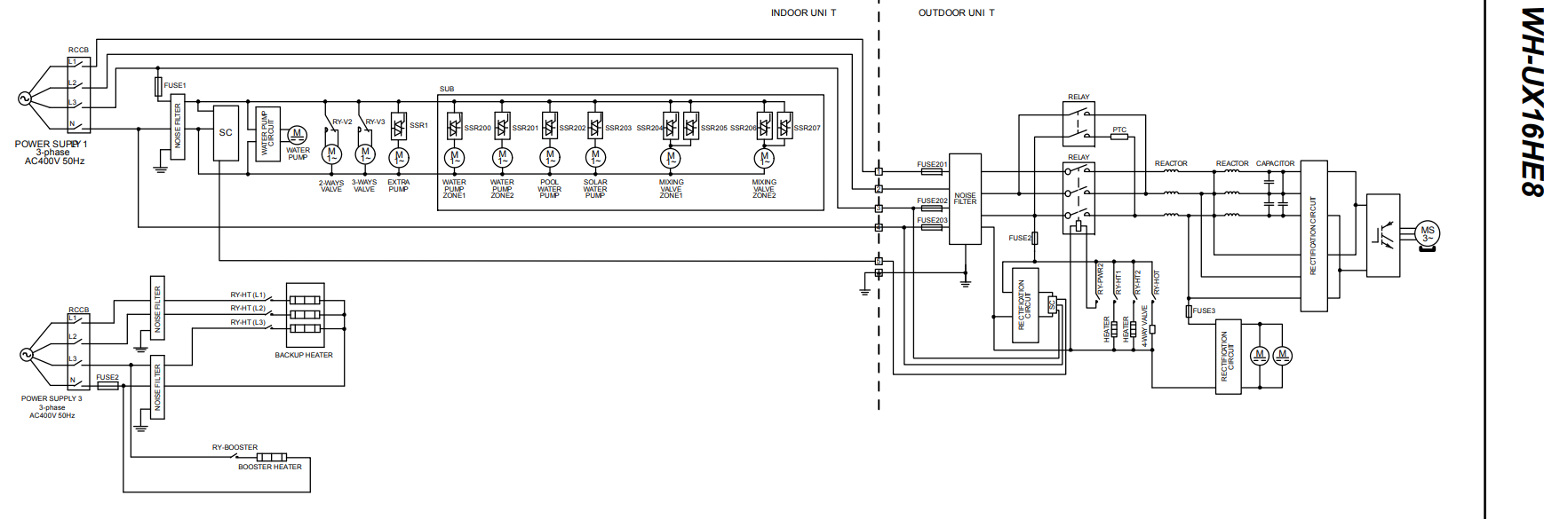
Kui selgub tõepoolest, et välisosa on 1-f, siis mul tekib kohe küsimus su esitatud diagrammi vaadates, kas ta töötab praegu ainult nn tennide pealt, et koorumus faaside vahel ühtlane?
Ehk esmapilgul täielik kukesupp.
Lisateema on see, et kas nn tennid saab ära vahetada väiksema võimsusega tennide vastu (näiteks 6 kW), et generaatorit HETKELISELT mitte üle koormata ja leppida vedi vähendatud võimsusega? Koormusgraafiku järgi 9 kW pole vaja.
Ehk selline teema, kus peab kõik sõlmed kriitilise pilguga ülevaatama, sest näiteks 12 kW 1-f genekas maksab ligi 3 k, aga 9 kW ligi 2 k. Kuid see on 1-f genekas, st maja süsteemi peab olema võimalik nn transfer switch-iga (vt 8. lk) olema võimalik lülitada 1-faasiliseks. Kui selle juures on tennid ühendatud tähte ja keskpunkt N-ga ühendamata, siis nad automaatselt lakkavad 1-f puhul toimimast ja 1-f geneka võimsust vb olla saab veelgi vähendada, 5 kW gene maksab juba 0,5 kuni 1k.
Re: Generaatori valik varutoiteks?
Lugemata postitus Postitas arkoko »
Ehk jääb öhku küsimus millele toetuda kui varugeneraatori teed minna? 10+ kW 3f genekat ilmselt ei jaksa osta ega ka liigitada
P.S.
Head uut aastat!
-
val
- Ehitusveteran

- Postitusi: 1678
- Liitunud: 28 Dets 2010, 13:32
- On tänanud: 25 korda
- On tänatud: 23 korda
Re: Generaatori valik varutoiteks?
Lugemata postitus Postitas val »
Ise jõudsin samas asjas gaasipuhurini nagu nt see + 2,5kw invertergenekas.arkoko kirjutas: 01 Jaan 2024, 02:00...
Väikse riskiga ja et kriisi ajal vähemalt majas kasvõi +10 sees hoida, et torud ära ei külmuks ja niiskust ülemäära ei koguneks - 5kW?
-
kunn24
- Ehituspenskar

- Postitusi: 4378
- Liitunud: 11 Veebr 2018, 14:45
- On tänanud: 48 korda
- On tänatud: 146 korda
Re: Generaatori valik varutoiteks?
Lugemata postitus Postitas kunn24 »
Kuid plekkkaminaid on veel saada, toru seinast välja jne. Ma olen seda meelt, et kütad, millega kütad, kuid suitsugaasi ruumi ei tohiks jätta.
arkoko kirjutas:
Välisosas kompressori mootori enda tööks pole 3-f vajalik, 3-f on tal kuni alaldini. Ehk uuri veel, kas on lubatud siiski ühendada ka 1-f toite külge. Kui ei, jäävad variandid mingi 10 kW 3-f genekas (tenne siis ei toida, nende toide tuleb võtta otse võrgusisendilt majja), ehitada ahi või panna inverter ja akud (varutoite jaoks kohe paneele pole vaja). Viimase kombost siiski talvel pikalt kasu pole. 1 võimalik geneka valik: https://mehka.ee/ee/product/stager-yde1 ... 00013tata3 Genekas tuleks nii paigaldada, et tema jääksoojus jääks kütmist vajavasse ruumi, heitgaas toruga välja (tagada ka õhu pealevool!), lisaks, kuna diisel, siis oleks genekas ise ka üle +10 C ruumis. Viidatud genekat saab automatiseerida (lisada ATS-i).Välisosa kindlasti on 3f. Selle kinnituse leidsin service manuali elektiühenduste osas minu seadme tüübi järgi. Siseosa on tõesti ainult L3-ga toitestatud (v.a. tenn, millel eraldi sisend):
-
Metsakraav
- Korralik postitaja

- Postitusi: 209
- Liitunud: 11 Dets 2019, 23:27
- On tänanud: 2 korda
- On tänatud: 15 korda
Re: Generaatori valik varutoiteks?
Lugemata postitus Postitas Metsakraav »
Pakuti kunagi tasuta mingit kasutatud hiina diiselgeneraatorit, pingeregulaator (AVR) oli lühisesse läinud.kunn24 kirjutas: 01 Jaan 2024, 12:16 Välisosas kompressori mootori enda tööks pole 3-f vajalik, 3-f on tal kuni alaldini. Ehk uuri veel, kas on lubatud siiski ühendada ka 1-f toite külge. Kui ei, jäävad variandid mingi 10 kW 3-f genekas (tenne siis ei toida, nende toide tuleb võtta otse võrgusisendilt majja), ehitada ahi või panna inverter ja akud (varutoite jaoks kohe paneele pole vaja). Viimase kombost siiski talvel pikalt kasu pole. 1 võimalik geneka valik: https://mehka.ee/ee/product/stager-yde1 ... 00013tata3 Genekas tuleks nii paigaldada, et tema jääksoojus jääks kütmist vajavasse ruumi, heitgaas toruga välja (tagada ka õhu pealevool!), lisaks, kuna diisel, siis oleks genekas ise ka üle +10 C ruumis. Viidatud genekat saab automatiseerida (lisada ATS-i).
Sellega seoses olid elektrimolekulid liiga suureks paisunud, ei mahtunud enam kodutehnikasse ära.
-
kunn24
- Ehituspenskar

- Postitusi: 4378
- Liitunud: 11 Veebr 2018, 14:45
- On tänanud: 48 korda
- On tänatud: 146 korda
Re: Generaatori valik varutoiteks?
Lugemata postitus Postitas kunn24 »
Lisa ZS
Lisanõuded autonoomsetele toitevõrguga ühendamata generaatoragregaatidele ja
autonoomsetele generaatoragregaatidele toitevõrgust lahutatud kohtkindla
paigaldise toitmiseks elektrienergiaga
Sealt 2. talitlusviis tundub TN-S ja 1. IT juhistikuna.
-
Küülaline
- Ehituspenskar

- Postitusi: 6685
- Liitunud: 02 Veebr 2009, 22:46
- On tänanud: 112 korda
- On tänatud: 149 korda
Re: Generaatori valik varutoiteks?
Lugemata postitus Postitas Küülaline »
Mine “Elekter, elektriseadmed”
- Ehitusfoorum
- ↳ Üldfoorum
- ↳ Ahjud, kaminad, korstnad
- ↳ Aiad, väravad
- ↳ Aknad, uksed
- ↳ Betoon ja betoonitooted
- ↳ Ehitustööriistad
- ↳ Ehitusmaterjalid
- ↳ Elekter, elektriseadmed
- ↳ Energiamärgis ja energiaaudit
- ↳ Fassaadide arutelu
- ↳ Katused, laed
- ↳ Hüdroisolatsioon
- ↳ Kaevud
- ↳ Konstruktsioonid, seinad
- ↳ Küttesüsteemid
- ↳ Palkmajad
- ↳ Projekteerimine, projektid
- ↳ Põrandad
- ↳ Puit ja puidutooted
- ↳ Restaureerimine
- ↳ Seadusandlus
- ↳ Soojustus, isolatsioon
- ↳ Saunad, dussiruumid, vannitoad, sanitaartehnika
- ↳ Siseviimistlus, värvid, plaatimistööd
- ↳ Ventilatsioon
- ↳ Veevarustus, kanalisatsioon, käimlad
- ↳ Vundamendid
- ↳ Naljanurk
- ↳ Arhiiv
- Ärifoorumid
- ↳ Otsin tööd
- ↳ Pakun tööd
- ↳ Ostu-müügifoorum
- ↳ Annan/võtan rendile
- ↳ Hinnapäring
