Keskküttepliit?
Keskküttepliit?
Lugemata postitus Postitas maris004 »
olen täielikult teemavõhik, aga tahaksin kuulda veel mõnda tarka arvamust.
Nimelt, renoveerime korterit, 2-toaline ca 40 m2.
Küsimus otseloomulikult seotud kütmisega. Algselt on korteris sees olnud ahi ja pliidi jaoks soojamüür (pliiti pole seal vist kunagi olnud). Lammutasime ahju suure hooga maha, sest otsustasime keskküttepliidi panna.
Plaan täpsemalt selline, et pliit oleks ühendatud soojamüüriga ( see asub köögi, koridori ja vannitoa keskel) ning pliidiga ühendaks siis radikad, mis kütaks kahte tuba (e.kaks radikat).
Kindel soov on see, et saada lihtsal viisil sooja mis kestaks.
Kuna ma asjadest kohe mitte midagi ei tea, siis nüüd ongi küsimus, et kas selline plaan on teostatav ja mõistlik?
Kas on paremaid soovitusi?
- motamees
- Ehituspenskar 
- Postitusi: 2703
- Liitunud: 14 Jaan 2008, 12:57
- Asukoht: Saar
- On tänanud: 209 korda
- On tänatud: 191 korda
Re: Keskküttepliit?
Lugemata postitus Postitas motamees »
Ikke on teostatav. Talvel kõva külmaga käid veel öösel kaks korda tuld panemas, et hommikuks ära ei külmu. Kui kivisöega kütad, siis saad ühe öise korraga hakkama.maris004 kirjutas:... kas selline plaan on teostatav...
Ehitage ahi tagasi.maris004 kirjutas:...Kas on paremaid soovitusi?
Tel 5o9279o
- rokikas
- Ehituspenskar 
- Postitusi: 6922
- Liitunud: 30 Jaan 2005, 15:38
- Asukoht: Saue
- On tänanud: 227 korda
- On tänatud: 231 korda
Re: Keskküttepliit?
Lugemata postitus Postitas rokikas »
ehitusremont@gmail.com
Re: Keskküttepliit?
Lugemata postitus Postitas vanaait »
Plaan oleks asendada senine pliit (mis tuleb maha lammutada) küttepliidiga, vaadanud olen näiteks sellist
http://www.pliidid.ee/pliidid/MBS_pliid ... uct_id=102
Või oskab keegi soovitada mõnda teist pliiti?
Küsimus on, et kas seda on mõistlik ühendada ka soojamüüriga? Soojamüürist võiks aimu saada järgnevatelt piltidelt
http://mb2.live.hot.ee/rps/D/2474001.JPG
http://mb2.live.hot.ee/rps/D/2474002.jpg
Pildi abil ja interneti teel on keeruline kindlasti hinnangut anda seega oleksin tänulik ka mõne Läänemaal tegutseva spetsialisti/pottsepa kontakti eest.
Oma mõtteid/kontakte võib jagada ka mailile
vanaait@hot.ee
- 
				ahjupealne
- Korralik postitaja 
- Postitusi: 161
- Liitunud: 29 Mär 2011, 18:37
- On tänanud: 5 korda
- On tänatud: 14 korda
Re: Keskküttepliit?
Lugemata postitus Postitas ahjupealne »
Sellise pliidi järgi olev suur soojamüür hakkab pigitama. Kui ei usu, proovige järgi.
Andres.
- 
				vuuk
- Ehituspenskar 
- Postitusi: 2374
- Liitunud: 15 Jaan 2008, 09:34
- On tänanud: 65 korda
- On tänatud: 128 korda
Re: Keskküttepliit?
Lugemata postitus Postitas vuuk »
7,2 kW MBS pliit, (ilma keskkütteta) ühendatud soemüüri. Korstnasse suubub see kooslus läbi 1,8 m viimalõõri.
3 aastat olnud, seni ei pigita.
Vaatasin soemõõri tahmaluukidest sisse. Pigi pole, tahma ka vaid minimaalselt. Küll aga oli musta narmastahma näha viimalõõri osas.
Muidugi pliit pole päris sama, pildil näha olev on võimsam (12 kW) ja ligi 2 korda kallim pliit.
Soemüür on mul ilmselt sama lõõriskeemiga, aga tõenäoliselt kitsamate lõõridega, ehk väiksema pinnalaotusega.
Keskütteradiaatoreid sellesse süsteemi veel juurde pookida - siis on juba liiast - pigitumine ja halb tõmme on sel juhul vältimatu.
Pigitumine oleneb suuresti ka korstna lõõrist, kütmisviisist ja puudest, ehk kõigi tegurite koosmõjust. Tegelikult saab pigitumine alguse sellest, et puudub ühtne küttesüsteemi projekt. Küttesüsteem komplekteeritakse juhuslikkuse põhimõttel erinevate osapoolte poolt. Kui lisada veel sellesse komplekti ka märjad puud ja valed kütmisviisid...
Kütnud olen täiesti avatud õhuklapiga, kuivade segapuudega (kuivanud vähemalt 1,5 aastat) ja vajadusel mitme tunni vältel, et soemüür korralikult soojaks saaks.
Selline pliit annab soojuse tänu õhukesele välisseinale valdavalt otse ruumi ja seetõttu ei jagu soojust läbi soemüüri korstnasse ja see soodustabki pigitumist.
Ei ole lõpuni häid või halbu asju. Niisugusel pliidil on võrreldes käsitöönduslikult valmistatud pliidiga ka mõningaid eeliseid.
Samas jah, hea pottseppmeister suudab kindlasti suhteliselt parema komplekti saavutada. Aga ikkagi, kõik oleneb suuresti prioriteetidest.
- Robi 1
- Ehituspenskar 
- Postitusi: 3831
- Liitunud: 07 Veebr 2011, 11:52
- On tänanud: 190 korda
- On tänatud: 220 korda
Re: Keskküttepliit?
Lugemata postitus Postitas Robi 1 »
Ühel mu tuttaval on Läänemaal selline( sarnane) ilus pliit ja lasi teha ka uue soeseina ja korstna. Kõrval olev kamin töötab vurinal, aga pliita tahab välja vahetada tavalise tellispliidi vastu...ja uhh...kui keegi selle Kalvise ära ostaks, siis oleks naisterahvas sillas...praegu, aga tuleb nutt peale kui vaatab seda asja...
- Robi 1
- Ehituspenskar 
- Postitusi: 3831
- Liitunud: 07 Veebr 2011, 11:52
- On tänanud: 190 korda
- On tänatud: 220 korda
Re: Keskküttepliit?
Lugemata postitus Postitas Robi 1 »
- motamees
- Ehituspenskar 
- Postitusi: 2703
- Liitunud: 14 Jaan 2008, 12:57
- Asukoht: Saar
- On tänanud: 209 korda
- On tänatud: 191 korda
Re: Keskküttepliit?
Lugemata postitus Postitas motamees »
Ma arvan, et pigitumine saab alguse ikke valedest kütmisvõtetest.vuuk kirjutas:... Tegelikult saab pigitumine alguse sellest, et puudub ühtne küttesüsteemi projekt...
Sest... täiesti korraliku koosluse võib valede kütmisvõtetega ära pigitada ja vale kooslusega saab ka ilma pigita hakkama, nagu su oma valesti projekteeritud küttesüsteemis.
vuuk kirjutas:...Vaatasin soemõõri tahmaluukidest sisse. Pigi pole, tahma ka vaid minimaalselt. Küll aga oli musta narmastahma näha viimalõõri osas...
Tel 5o9279o
- 
				Andrus Schults
- Ehitusguru 
- Postitusi: 728
- Liitunud: 07 Veebr 2011, 18:35
- On tänatud: 43 korda
Re: Keskküttepliit?
Lugemata postitus Postitas Andrus Schults »
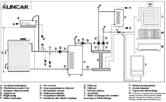
ILLARIA 703T veekütte pliit firmalt LINCAR.
Parimate soovidega
Andrus Schults
e-post andrus@raidkivi.ee
tel + 372 56 479 515
Raidkivi OÜ
Pärnu mnt 139E/2, 11317 Tallinn
tel +372 677 6977
faks + 372 677 6976
www.raidkivi.ee
uudised: http://et-ee.facebook.com/pages/Raidkiv ... 4565424731
http://www.facebook.com/pages/Kaminakod ... 8270545098
- Manused
- 
			
		
				- ILLARIA veekütte pliit firmalt LINCAR.PNG (82.73 KiB) Vaadatud 13885 korda
 
Andrus Schults
KAMINAKODA
e-post andrus@raidkivi.ee
www.raidkivi.ee
Facebook`s: http://et-ee.facebook.com/pages/Raidkiv ... 4565424731
Facebook`s: http://www.facebook.com/pages/Kaminakod ... 8270545098
- rokikas
- Ehituspenskar 
- Postitusi: 6922
- Liitunud: 30 Jaan 2005, 15:38
- Asukoht: Saue
- On tänanud: 227 korda
- On tänatud: 231 korda
Re: Keskküttepliit?
Lugemata postitus Postitas rokikas »
Vist peeti siiski silmas "tavalist" pliiti.Andrus Schults kirjutas:veekütte pliit
vanaait kirjutas:Plaan oleks asendada senine pliit (mis tuleb maha lammutada) küttepliidiga, vaadanud olen näiteks sellist
http://www.pliidid.ee/pliidid/MBS_pliid ... uct_id=102
ehitusremont@gmail.com
Re: Keskküttepliit?
Lugemata postitus Postitas ahjumees »
- 
				Andrus Schults
- Ehitusguru 
- Postitusi: 728
- Liitunud: 07 Veebr 2011, 18:35
- On tänatud: 43 korda
Re: Keskküttepliit?
Lugemata postitus Postitas Andrus Schults »
Parimate soovidega
Andrus Schults
e-post andrus@raidkivi.ee
tel + 372 56 479 515
Raidkivi OÜ
Pärnu mnt 139E/2, 11317 Tallinn
tel +372 677 6977
faks + 372 677 6976
www.raidkivi.ee
uudised: http://et-ee.facebook.com/pages/Raidkiv ... 4565424731
http://www.facebook.com/pages/Kaminakod ... 8270545098
- Manused
- 
			
		
				- LINCAR veeküttepliidi tööpõhimõte.PNG (87.66 KiB) Vaadatud 13866 korda
 
Andrus Schults
KAMINAKODA
e-post andrus@raidkivi.ee
www.raidkivi.ee
Facebook`s: http://et-ee.facebook.com/pages/Raidkiv ... 4565424731
Facebook`s: http://www.facebook.com/pages/Kaminakod ... 8270545098
- 
				vuuk
- Ehituspenskar 
- Postitusi: 2374
- Liitunud: 15 Jaan 2008, 09:34
- On tänanud: 65 korda
- On tänatud: 128 korda
Re: Keskküttepliit?
Lugemata postitus Postitas vuuk »
Tootjajuhis ütleb, et kui tõmme küünlaleegiga kontrollides on suitsuava juures vähemalt selline, et leek kaldub horisontaalseks, siis on tõmme piisav. Ka on näidatud ära korstna optimaalne kõrgus. Soemüüri kohta pole midagi. Minu arvates on imelik lasta pliidi suitsugaas ilmtingimata otse korstnasse. Tähtis on, et soojus jääks maksimaalselt ruumi ja korstnast väljuks optimaalse temperatuuriga suits, mis tagaks korstna ja soemüüri töökindluse.
- 
				Koit
- Korralik postitaja 
- Postitusi: 158
- Liitunud: 29 Mär 2010, 14:48
- On tänanud: 6 korda
- On tänatud: 29 korda
Re: Keskküttepliit?
Lugemata postitus Postitas Koit »
Koit
- motamees
- Ehituspenskar 
- Postitusi: 2703
- Liitunud: 14 Jaan 2008, 12:57
- Asukoht: Saar
- On tänanud: 209 korda
- On tänatud: 191 korda
Re: Keskküttepliit?
Lugemata postitus Postitas motamees »
Postituse alatoonist sain aga aru, et Koit sulle projektile allkirja ei anna. Järgi jääb veel 78 potensiaalset allkirjastajat, sest Unibuildi ja Ahjumaailma mehed teevad igale ahjule ise 3D projekti.
Tõmbel ja korstnagaaside jääksoojusel pole midagi ühist.
Tel 5o9279o
- Robi 1
- Ehituspenskar 
- Postitusi: 3831
- Liitunud: 07 Veebr 2011, 11:52
- On tänanud: 190 korda
- On tänatud: 220 korda
Re: Keskküttepliit?
Lugemata postitus Postitas Robi 1 »
Igatahes paar aastat Kalvise soeseinaga kasutamise tagajärjel oli korstna pits päris õõnes.
Ise julgeks sinna parimal juhul soeseina teha 2,5 m ja lisaks otseühendus. Aga kindlasti peaks korstnasse minema 150 c ...samas Motamehe pakutu parem.
Re: Keskküttepliit?
Lugemata postitus Postitas Hendri »
- rokikas
- Ehituspenskar 
- Postitusi: 6922
- Liitunud: 30 Jaan 2005, 15:38
- Asukoht: Saue
- On tänanud: 227 korda
- On tänatud: 231 korda
Re: Keskküttepliit?
Lugemata postitus Postitas rokikas »
ehitusremont@gmail.com
- Robi 1
- Ehituspenskar 
- Postitusi: 3831
- Liitunud: 07 Veebr 2011, 11:52
- On tänanud: 190 korda
- On tänatud: 220 korda
Re: Keskküttepliit?
Lugemata postitus Postitas Robi 1 »
Sellises olukorras tasuks vähemalt üks koldetäis alguses otsesiibriga kütta, et korsten soojaks saada ja pärast jätta ka otsesiiber paar cm avatuks.
- motamees
- Ehituspenskar 
- Postitusi: 2703
- Liitunud: 14 Jaan 2008, 12:57
- Asukoht: Saar
- On tänanud: 209 korda
- On tänatud: 191 korda
Re: Keskküttepliit?
Lugemata postitus Postitas motamees »
Muretsemise põhjus võib konkreetsel juhul olla hoopis termomeetri hälve. Kontrollisin tigitermomeetriga.Hendri kirjutas:... temperatuurid kuskil 100-120 kraadi juurde korstnas esimesel korrusel?
- All vasakul on reaalne näit.
- Praak termomeeter.JPG (36.87 KiB) Vaadatud 13732 korda
Tel 5o9279o
- 
				Andrus Schults
- Ehitusguru 
- Postitusi: 728
- Liitunud: 07 Veebr 2011, 18:35
- On tänatud: 43 korda
Re: Keskküttepliit?
Lugemata postitus Postitas Andrus Schults »
Kõike paremat
Andrus Schults
- Manused
- 
			
		
				- Pliidi ILLARIA 703T väljuvad suitsugaasid 308-365 kraadi.PNG (135.96 KiB) Vaadatud 13710 korda
 
Andrus Schults
KAMINAKODA
e-post andrus@raidkivi.ee
www.raidkivi.ee
Facebook`s: http://et-ee.facebook.com/pages/Raidkiv ... 4565424731
Facebook`s: http://www.facebook.com/pages/Kaminakod ... 8270545098
- 
				fanatic
- Ehitusspets 
- Postitusi: 421
- Liitunud: 11 Okt 2010, 00:27
- On tänanud: 30 korda
- On tänatud: 44 korda
Re: Keskküttepliit?
Lugemata postitus Postitas fanatic »
Seda termomeetrit saab otsast nn paika keerata. Võta välja ja keera digi omaga võrdseks ja vaata siis, kuidas temperatuuri kõikumisele reageerib?motamees kirjutas:Muretsemise põhjus võib konkreetsel juhul olla hoopis termomeetri hälve. Kontrollisin tigitermomeetriga.Hendri kirjutas:... temperatuurid kuskil 100-120 kraadi juurde korstnas esimesel korrusel?Praak termomeeter.JPG
- 
				Peetripoeg
- Ehitusspets 
- Postitusi: 307
- Liitunud: 04 Dets 2008, 11:40
- On tänanud: 13 korda
- On tänatud: 15 korda
Re: Keskküttepliit?
Lugemata postitus Postitas Peetripoeg »
Vaatan seda pliidi tagumist silti ja ei leia kusagilt pliidist väljuva toru ristlõiget .
Minu kogemus on näidanud ,et tehasepliidid ei..............................................................................................................................
Kustutasin lausa selle jura siit ära,äkki mõni toimib selle järgi automaatselt .Minu kogemus selles vallas pole oluline
Pole nagu võtnud ka täna veel midagi......vist ikka vanadusnõtrus,oi,oi,oi
Eks keegi parandagu ,kui eksisin........
Lugupidamisega
- motamees
- Ehituspenskar 
- Postitusi: 2703
- Liitunud: 14 Jaan 2008, 12:57
- Asukoht: Saar
- On tänanud: 209 korda
- On tänatud: 191 korda
Re: Keskküttepliit?
Lugemata postitus Postitas motamees »
Kui see mõõt juba siia kirja sai, siis väljenda ka korstna mõõt. Kas 160mm modulkorsten on pliita jaoks igati OK?Peetripoeg kirjutas:...Minu kogemus on näidanud ,et alla 150 -160 mm väljundiga pliidiga soemüüril tekivad probleemid ...
Peale selle pildi tegemist sai toimitud just nagu sina soovitad. Nüüd kipub näitama pisut rohkem. Vähemasti pole vea aste enam nii suur.fanatic kirjutas:...Seda termomeetrit saab otsast nn paika keerata. Võta välja ja keera digi omaga võrdseks ja vaata siis, kuidas temperatuuri kõikumisele reageerib?
Tel 5o9279o
Mine “Ahjud, kaminad, korstnad”
- Ehitusfoorum
- ↳ Üldfoorum
- ↳ Ahjud, kaminad, korstnad
- ↳ Aiad, väravad
- ↳ Aknad, uksed
- ↳ Betoon ja betoonitooted
- ↳ Ehitustööriistad
- ↳ Ehitusmaterjalid
- ↳ Elekter, elektriseadmed
- ↳ Energiamärgis ja energiaaudit
- ↳ Fassaadide arutelu
- ↳ Katused, laed
- ↳ Hüdroisolatsioon
- ↳ Kaevud
- ↳ Konstruktsioonid, seinad
- ↳ Küttesüsteemid
- ↳ Palkmajad
- ↳ Projekteerimine, projektid
- ↳ Põrandad
- ↳ Puit ja puidutooted
- ↳ Restaureerimine
- ↳ Seadusandlus
- ↳ Soojustus, isolatsioon
- ↳ Saunad, dussiruumid, vannitoad, sanitaartehnika
- ↳ Siseviimistlus, värvid, plaatimistööd
- ↳ Ventilatsioon
- ↳ Veevarustus, kanalisatsioon, käimlad
- ↳ Vundamendid
- ↳ Naljanurk
- ↳ Arhiiv
- Ärifoorumid
- ↳ Otsin tööd
- ↳ Pakun tööd
- ↳ Ostu-müügifoorum
- ↳ Annan/võtan rendile
- ↳ Hinnapäring



