Pelletikamina ühendamine Rittium 14 hydro
küttesüsteemid, millega ja kuidas kütta
Pelletikamina ühendamine Rittium 14 hydro
Lugemata postitus Postitas EHG »
Tervist . Radikad paigas ja ühendatud. Nüüd siis järgmiseks mureks vaja ühendada süsteem pelletikaminaga. Siin kohal sooviks veits targema abi. Mudeliks Rittium 14 Hydro. Katla taha jookseb külma vee toru(trassi toru), pluss radika peavool ja äravool. Kokku siis 3 toru. Oskab anda keegi nõu mida kuidas ühendada või on kellegil olnud kokkupuudet analoogse katlaga ?
-
Prill
- Ehitusveteran

- Postitusi: 1463
- Liitunud: 27 Veebr 2017, 10:36
- On tänanud: 7 korda
- On tänatud: 84 korda
Re: Pelletikamina ühendamine Rittium 14 hydro
Lugemata postitus Postitas Prill »
Soovitatav juhendi järgi ühendada, kui katlaga kaasa ei tulnud, leiab ka internetist. Juhendi järgi tõesti kolm toru, pealevool, tagasivool ja kolmas toruots on veesüsteemi täitmiseks ja tühjendamiseks.
Ja nagu torustikega ikka jälgida, et kuskile kõrgemasse kohta õhukorke ei saaks tekkida vaid torustikus ringlevad õhumullidel oleks võimalik õhutuse kaudu väljuda.
Ja nagu torustikega ikka jälgida, et kuskile kõrgemasse kohta õhukorke ei saaks tekkida vaid torustikus ringlevad õhumullidel oleks võimalik õhutuse kaudu väljuda.
Re: Pelletikamina ühendamine Rittium 14 hydro
Lugemata postitus Postitas EHG »
Suurimad tänud vihje eest.
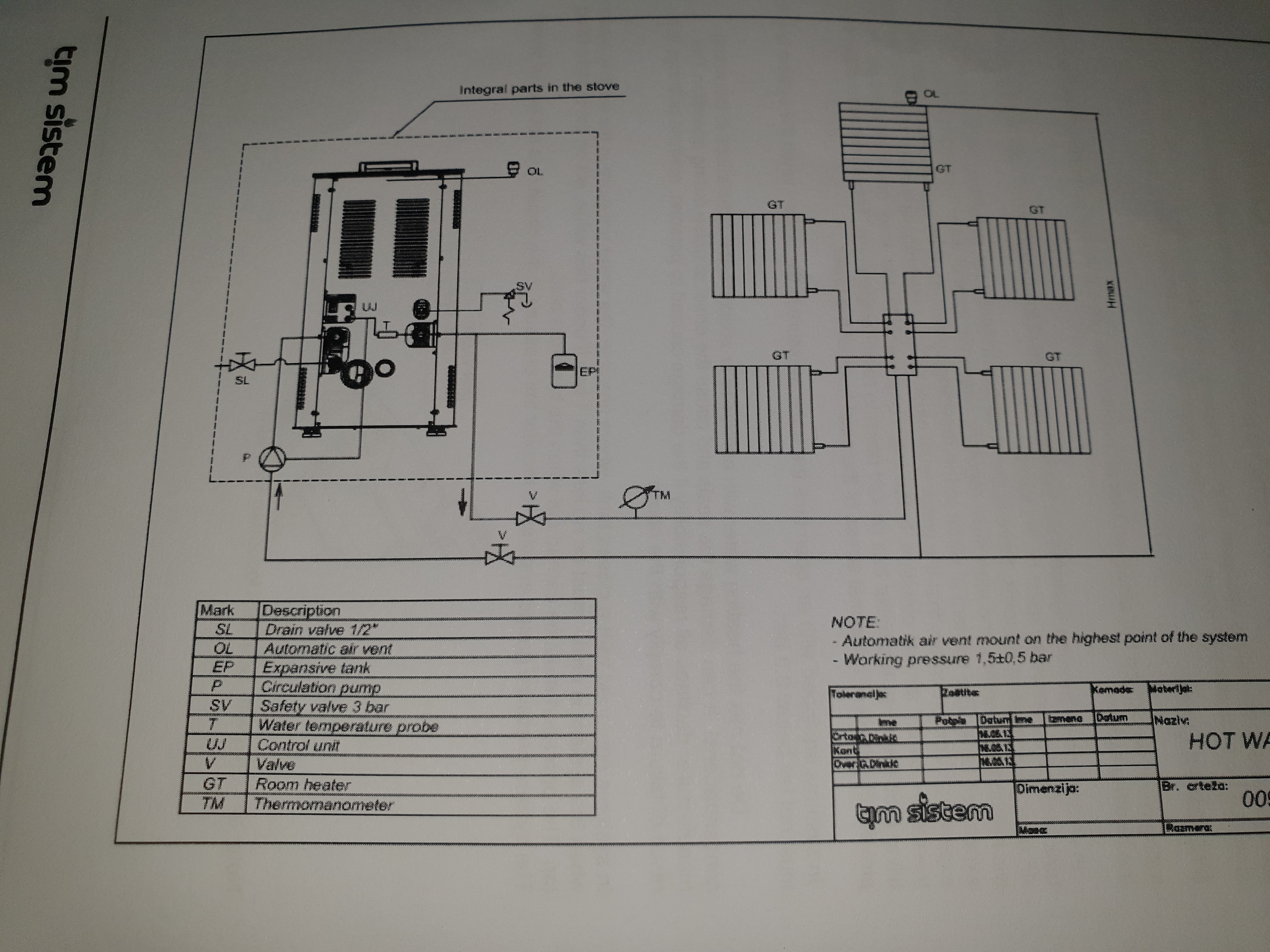
Pealevool ja äravool :nagu näha kraani ottsas ripub 2 otsikut (pilt1) ühendan täitmis kraani ja pealevoolutoru ilmselt kõrgsurvevoolikuga , tühjendamise jaoks löön tila ottsa kummivooliku klambriga kinni. Tulevikus ilmselt paigaldaks enne kattlakraani kolmiku,kuhu ühendaks mõlemad . Saaks kollektorist keerata pealevoolu kinni ja lasta tagurpidi suunas tühjaks kanalkasse. Ei peaks kruttima enam neid lahti-kinni Samas hakkas muret tekitama katla küljes oleva kraani peal suuna nool väljapoole,kas ta ikka laseb sisse poole suunas vett läbi ?
Siis leitsin veel youtubes veits videomaterjali sama kattla paigaldusest pilt 2 seal oleks ühendatud justkui kütte ringlus(radikate peavool ja äravool) veel omakorda mingi kütte eraldusventiiliga vms. Mis ottstarve sellisel asjal oleks ja kas see on kohustuslik?
Õhutuse osas oleks ka üks pisike küsimus, kas oleks mõistlik paigaldada torustikku kõrgemasse osasse mingi automaatne õhutusklapp vms ?
Suured kummardused ja tänud ette!
Pealevool ja äravool :nagu näha kraani ottsas ripub 2 otsikut (pilt1) ühendan täitmis kraani ja pealevoolutoru ilmselt kõrgsurvevoolikuga , tühjendamise jaoks löön tila ottsa kummivooliku klambriga kinni. Tulevikus ilmselt paigaldaks enne kattlakraani kolmiku,kuhu ühendaks mõlemad . Saaks kollektorist keerata pealevoolu kinni ja lasta tagurpidi suunas tühjaks kanalkasse. Ei peaks kruttima enam neid lahti-kinni Samas hakkas muret tekitama katla küljes oleva kraani peal suuna nool väljapoole,kas ta ikka laseb sisse poole suunas vett läbi ?
Siis leitsin veel youtubes veits videomaterjali sama kattla paigaldusest pilt 2 seal oleks ühendatud justkui kütte ringlus(radikate peavool ja äravool) veel omakorda mingi kütte eraldusventiiliga vms. Mis ottstarve sellisel asjal oleks ja kas see on kohustuslik?
Õhutuse osas oleks ka üks pisike küsimus, kas oleks mõistlik paigaldada torustikku kõrgemasse osasse mingi automaatne õhutusklapp vms ?
Suured kummardused ja tänud ette!
Re: Pelletikamina ühendamine Rittium 14 hydro
Lugemata postitus Postitas EHG »
On veel olemas selline saksa keelne skeem, samas tootja poolses videos ,tundub,et ühendus veits teisiti tehtud.
Hüppa
- Ehitusfoorum
- ↳ Üldfoorum
- ↳ Ahjud, kaminad, korstnad
- ↳ Aiad, väravad
- ↳ Aknad, uksed
- ↳ Betoon ja betoonitooted
- ↳ Ehitustööriistad
- ↳ Ehitusmaterjalid
- ↳ Elekter, elektriseadmed
- ↳ Energiamärgis ja energiaaudit
- ↳ Fassaadide arutelu
- ↳ Katused, laed
- ↳ Hüdroisolatsioon
- ↳ Kaevud
- ↳ Konstruktsioonid, seinad
- ↳ Küttesüsteemid
- ↳ Palkmajad
- ↳ Projekteerimine, projektid
- ↳ Põrandad
- ↳ Puit ja puidutooted
- ↳ Restaureerimine
- ↳ Seadusandlus
- ↳ Soojustus, isolatsioon
- ↳ Saunad, dussiruumid, vannitoad, sanitaartehnika
- ↳ Siseviimistlus, värvid, plaatimistööd
- ↳ Ventilatsioon
- ↳ Veevarustus, kanalisatsioon, käimlad
- ↳ Vundamendid
- ↳ Naljanurk
- ↳ Arhiiv
- Ärifoorumid
- ↳ Otsin tööd
- ↳ Pakun tööd
- ↳ Ostu-müügifoorum
- ↳ Annan/võtan rendile
- ↳ Hinnapäring
