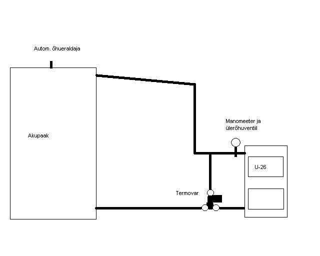
Katel Viadrus 26, akupaak 1500L, katlasegamissõlmeks Termovar 61C.
Probleem selles, et tundub nagu ei töötaks see Termovar päris korrektselt.
Kütma hakkamisel käivitub Termovari Grundfos pump 55C pealt (lüliti on katlast väljuval torul), mõningase kütmise järel näen Termovari termomeetitelt näitusid, et katlast tuleb ~65C, akupaagist 30C ja katlasse tagasi läheb 40-45C. Seda katlasse tagasitulevat, umbes 40C vett ei jõua katel kuumemaks kui 60-70C ajada. Seega koosneb kütmine kahest tsüklist, kõigepealt akupaak maast laeni 60Cni ja kui katlasse hakkab tagasi juba 60C vett tulema suudab ka katel väljastada kuni 90C vett. Termovari pump on esimese kiirusastme peal. Kui proovin lülitada kiiremaks, siis hääle järgi otsustades pääseks nagu õhk liikvele ja mõnikord väljub ka akupaagi peal olevast automaatõhutusventiilist. Kütnud olen pea kuu aega, probleem ei kao. Kas võib viga olla Termovari termostaadis või on siiski õhk kuskil vahel, millest ma imelikul kombel vabaneda ei suuda?
Teine probleem on süsteemi survega. Jahtunud süsteemis on rõhk 0,7 bar, kui süsteem on ~80-90C, siis näitab manomeeter üle 2 bar. Kasutusel on 200liitrine paisupaak, mis käega katsudes soojeneb ainult kuni ülemise otsa kumeruse lõpuni, see on siis umbes 1/4 ulatuses. Esimestel kütmistel oli rõhkude vahe veel suurem, siis lasin paisupaagi ventiilist vasturõhu 1,5bar peale ja läks natuke paremaks. Siit foorumitest olen lugenud, et seal pole sees paljas õhk, seega väga mängima ei tahaks ka hakata, et laseks vastusurve päris alla ja vaataks mis juhtub. Kirjutatud on ka, et paisupaagi kummikott võib olla jäänud toruava ette - äkki selles viga? Kas saan sellest teha miskeid järeldusi, et paisupaak on käega katsudes tuline ainult ülemine 1/4 osas, see kummikott on seal vist koonuse kujuline, teravikuga allapoole, äkki ei peagi altpoolt katsudes kuum olema. Ise kujutasin ette, et vähemalt pool paagist võiks ju soe olla.



