Põrandaküttekontuuri ühendamine

küttesüsteemid, millega ja kuidas kütta
herila
Uus kasutaja
Uus kasutaja
Postitusi: 34
Liitunud: 16 Mär 2007, 18:31
On tänanud: 2 korda

Põrandaküttekontuuri ühendamine

Lugemata postitus Postitas herila »

Tere,

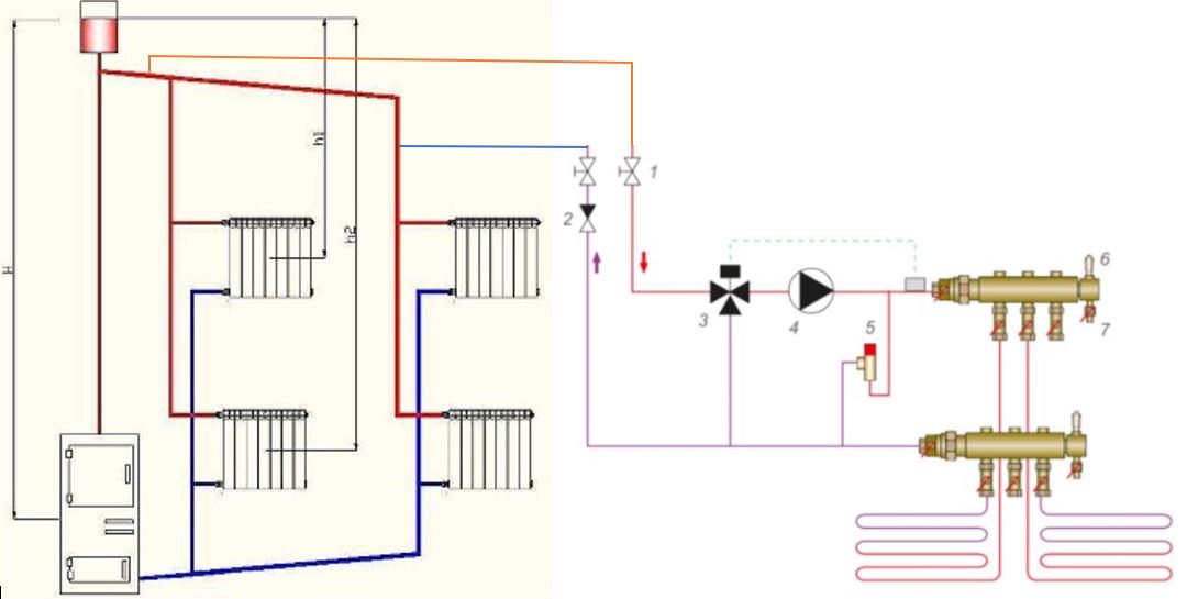
Oleks vaja ühendada põrandakütte kontuur loomuliku tsirkulatsiooniga küttesüsteemi kontuuri.
Katel asub keldrikorrusel ja ruum, kuhu põrandakütet vaja, asub pööningu all. Torude vedamiseks läbi kahe korruse ei ole mõistlikku kohta ja ei tahaks remonditud ruume lammutama hakata.
Paluks arvamusi, et kui ühendada kontuur selliselt, nagu näidatud all pildil, siis kas see võiks loomuliku tsirkulatsiooni tuksi keerata?
Ise ma arvan, et probleemi ei tohiks tekkida. Pööningul jooksvad kütteringi torud on 70mm läbimõõduga.
Tean, et loomulikum oleks ühendada kuhugi tagasivoolu ringi, aga see vajaks jälle lammutamist ja seda ei sooviks.
Radikasse jõudev vesi peaks alloleva skeemi järgi jahedam olema, aga tsirkulatsioon peaks vähemalt minu loogika järgi säiluma?
kyttering.JPG
Coolhouse
Ehitusveteran
Ehitusveteran
Postitusi: 1076
Liitunud: 12 Sept 2008, 14:19
On tänanud: 1 korda
On tänatud: 30 korda

Re: Põrandaküttekontuuri ühendamine

Lugemata postitus Postitas Coolhouse »

See asi ei tööta päris kindlasti.
Põrandakütte pump tahab enamiku soojust endale krabada ja ülejäänud maja ei jää küll päris külmaks kuid asja sellest ei saa.
Olen sellise isegi ehitanud kus ei ole mitte põrandaküte aga ühele radikate ahelale sai ringluspump lisatud. Kui pump käib siis see ahel võtab enamiku maja soojusest endale.

Põrandakütte torud tuleks katlaruumi vedada. Katlaruumis on akupaak ja põrandaküte võtab soojuse akupaagist.
See on puhas laiskus kui torusid põrandakütte ühendamiseks ei saa kütteruumi viia.
Õhk-vesi soojuspumbad, külmseadmed .
Müük, hooldus. info@coolhouse.ee
herila
Uus kasutaja
Uus kasutaja
Postitusi: 34
Liitunud: 16 Mär 2007, 18:31
On tänanud: 2 korda

Re: Põrandaküttekontuuri ühendamine

Lugemata postitus Postitas herila »

Coolhouse kirjutas: 27 Mai 2020, 09:54 See asi ei tööta päris kindlasti.
Põrandakütte pump tahab enamiku soojust endale krabada ja ülejäänud maja ei jää küll päris külmaks kuid asja sellest ei saa.
Olen sellise isegi ehitanud kus ei ole mitte põrandaküte aga ühele radikate ahelale sai ringluspump lisatud. Kui pump käib siis see ahel võtab enamiku maja soojusest endale.

Põrandakütte torud tuleks katlaruumi vedada. Katlaruumis on akupaak ja põrandaküte võtab soojuse akupaagist.
See on puhas laiskus kui torusid põrandakütte ühendamiseks ei saa kütteruumi viia.
Ega siis soe ju kuhugi ära ei haihtu. Otsest erinevust ju ei ole millega ruum mingi temperatuurini kütta, sooja läheb ikka ju sama palju. Põrandaküte võtab ju ainult vajamineva soojushulga ja kui vajalik temperatuur saavutatud, laseb ikka radikatesse ka sooja vett. Kuhu see soe vesi siis kaduma peaks?
Kui sa lisasid ringluspumba ühte ahelasse ja seal näiteks termostaadid ringlust ei kontrolli, siis on selge, et osad ruumid lähevad väga soojaks ja teised ruumid mitte.
Kohe rutakalt inimesi laisaks nimetada on ka nagu liig. Eriti kui ei tea veel maja konstruktsiooni ja ruumide paigutust. Aga küsimus ei olnudki selles, vaid ikka kas loomulik tsirkulatsioon jääb toimima.
Coolhouse
Ehitusveteran
Ehitusveteran
Postitusi: 1076
Liitunud: 12 Sept 2008, 14:19
On tänanud: 1 korda
On tänatud: 30 korda

Re: Põrandaküttekontuuri ühendamine

Lugemata postitus Postitas Coolhouse »

Mõttetu vaidlus.
Vesi ei liigu nii nagu sa paberi peal arvad.

Torusid saab vedada igalt poolt, põrandaliistu äärest, kardina tagant.. kuid miks mitte ka seina seest.
Juba see vabavoolu küttesüsteem näitab oma olemuselt ära kui vana majaga tegemist. Pole siin mingit probleemi ruumide paigutuse ja konstruktsiooniga. Kui torustik on surve all siis võb ka torudega pööningule ronida ja uuesti alla tulla.
Lihtsalt õhueraldaja võib lisada kui hirm on.
Õhk-vesi soojuspumbad, külmseadmed .
Müük, hooldus. info@coolhouse.ee
herila
Uus kasutaja
Uus kasutaja
Postitusi: 34
Liitunud: 16 Mär 2007, 18:31
On tänanud: 2 korda

Re: Põrandaküttekontuuri ühendamine

Lugemata postitus Postitas herila »

Coolhouse kirjutas: 27 Mai 2020, 10:39 Mõttetu vaidlus.
Vesi ei liigu nii nagu sa paberi peal arvad.

Torusid saab vedada igalt poolt, põrandaliistu äärest, kardina tagant.. kuid miks mitte ka seina seest.
Juba see vabavoolu küttesüsteem näitab oma olemuselt ära kui vana majaga tegemist. Pole siin mingit probleemi ruumide paigutuse ja konstruktsiooniga. Kui torustik on surve all siis võb ka torudega pööningule ronida ja uuesti alla tulla.
Lihtsalt õhueraldaja võib lisada kui hirm on.
Tänan arvamuse eest ja ma ei vaidlegi, vaid sooviks natuke argumenteeritumat arutelu ja ennast harida.
Kui vesi ei liigu nii nagu ma arvan, siis sellega võib nõustuda. Küsimus ongi, et mis siis antud skeemi kasutades juhtuma hakkab ja miks.
Kui sa esimeses vastuses kirjutasid, et põrandakütte pump tahab enamiku soojusest endale rabada, siis ma ei saanud päris täpselt su mõttekäigust aru, sest sooja kulub selle ruumi kütmiseks ikka sama palju, sõltumata kas seal on pump või mitte. Kui viitsid, siis seleta rohkem lahti, et mida sa silmas pead.
Kas sa arvad, et ringlus hakkab toimima ainult ülemises kontuuris, kuhu on ühendatud ka põrandakütte kontuur?
Kas antud skeemi saab korda, kui lisada ringluspump ka hetkel loomuliku tsirkulatsiooniga kontuuri?

Küsimus ei ole tõesti hetkel selles, et kuidas on mugavam torusid vedada. Jätaks selle kõrvale.
Coolhouse
Ehitusveteran
Ehitusveteran
Postitusi: 1076
Liitunud: 12 Sept 2008, 14:19
On tänanud: 1 korda
On tänatud: 30 korda

Re: Põrandaküttekontuuri ühendamine

Lugemata postitus Postitas Coolhouse »

Ma ei ole kõige parem füüsika õpetaja.

Veevool kannab soojust edasi. Nt kui sul on põrandakütte kollektor ja otsad külge ühendamata, oletame et ka tagumine otsakork lahti siis vesi ei jookse välja mitte külgmistest avadest vaid lõpus olevast otsakorgist sest seda kaudu on takistus väiksem. Nüüd kui vaatad seda vett siis otsast tuleb joaga kuid küljetorudest nõriseb vett välja.
Seda veejuga nimetatakse turbulentseks veevooluks. Lihtsalt mingi vee väike liikumine on laminaarne voolamine.
Soojust kannab edasi vaid turbulentne veevoog. Laminaarne just nagu voolaks ka aga nt arvutusprogramma hakkab "karjuma" kuni veevoog on laminaarsest muutunud turbulentseks.

Nüüd on sul põrandaküte. Põrandakütte torukontuur on 70...100 m pikk. Vaja on et põrandakütte toru oleks täies pikkuses soe. Selleks on vaja turbulentset veevoogu, muidu see ei õnnestu.
Ehk selleks et põrandat soojaks saada hakkab ringluspump vett "ahnitsema".

Nüüd on see töötav süsteem paaritatud veel mingi asjaga (loomuliku ringlusega keskküte). Kui turbulentne voog läheb põrandasse ja radiaatoritel pumpa ei ole siis on see nagu konnatiik kust veevoog läbi ei käi.
Ainuke võimalus on tekitada ka radiaatoritele sundringlus.

Kui vaatad küttesüsteemide jooniseid siis seal on põrandaküttel eraldi ringluspump ja radiaatoritel eraldi pump. Seda seetõttu et põrandakütte toru on pikk ja suurema takistusega. Ka on põrandakütte temperatuurid erinevad nt toas 22C , põrand 5 C soojem et soojus tuppa kanduks nt 27C siis pealejooks on nt 30C ja tagasijooks 25C.
Radiaatorite veevoolu takistus on väiksem kuid temperatuuride vahe suurem nt pealejooks 45C ga tagasijooks 20C.
Need süsteemid ei sobi hästi omavahel kokku.Veel vähem võiks arvata et sobivad kokku põrandaküte ja vabaringlusega radiaatorid. Muidugi tehakse igasuguseid imevariante aga kõige lihtsam on osta 300...500...eur eest mingi teraspaak, akupaak, kust erinevad toruringid algavad ja lõpevad. Siis ei mõjuta põrandaküte radiaatoreid.
Õhk-vesi soojuspumbad, külmseadmed .
Müük, hooldus. info@coolhouse.ee
ping
Ehituspenskar
Ehituspenskar
Postitusi: 6171
Liitunud: 28 Jaan 2016, 10:35
On tänanud: 114 korda
On tänatud: 295 korda

Re: Põrandaküttekontuuri ühendamine

Lugemata postitus Postitas ping »

herila kirjutas: 27 Mai 2020, 07:49 Tere,

Oleks vaja ühendada põrandakütte kontuur loomuliku tsirkulatsiooniga küttesüsteemi kontuuri.
Katel asub keldrikorrusel ja ruum, kuhu põrandakütet vaja, asub pööningu all. Torude vedamiseks läbi kahe korruse ei ole mõistlikku kohta ja ei tahaks remonditud ruume lammutama hakata.
Paluks arvamusi, et kui ühendada kontuur selliselt, nagu näidatud all pildil, siis kas see võiks loomuliku tsirkulatsiooni tuksi keerata?
Ise ma arvan, et probleemi ei tohiks tekkida. Pööningul jooksvad kütteringi torud on 70mm läbimõõduga.
Tean, et loomulikum oleks ühendada kuhugi tagasivoolu ringi, aga see vajaks jälle lammutamist ja seda ei sooviks.
Radikasse jõudev vesi peaks alloleva skeemi järgi jahedam olema, aga tsirkulatsioon peaks vähemalt minu loogika järgi säiluma?

kyttering.JPG
Sellel joonisel on vee liikumise suund erisuunaline ja rikub radikate tööd.
Vaheta väljavõtte otsad omavahel ära, ehk põrandakütte pealevool tuleks vabavoolse kõige kaugemast punktist võtta, siis voolusuunad liituvad.
Kuna põrandaküttesse mineva vee vooluhulk peaks olema väiksem radikatorudes liikuva vee hulgast (mis sõltub vabavoolses süsteemis vee temperatuurist) siis oleks mõistlik lisada termoandur mis vee pealevoolu temperatuuri langedes alla etteantud väärtuse lülitaks põrandakütte pumba seisma.

Põhimõtteliselt samasugust energialiitmise/-lahutamise skeemi kasutatakse soojustehnikas küllalt laialdaselt aga kuna sellel on mitmeid muutuvaid tegureid mis sõltuvad konkreetsest olukorrast, siis võib korrektselt töölesaamine olla probleemne.
:hello:
Õppefilosoofia paradoks - õpetamine on tühi töö ja vaimu närimine, sest lollile ei jää nagunii midagi külge, andekas õpilane saab aga kõik ise selgeks, kui on loodud tingimused arenemiseks.
xil
Ehitusguru
Ehitusguru
Postitusi: 840
Liitunud: 10 Apr 2014, 11:08
On tänatud: 13 korda

Re: Põrandaküttekontuuri ühendamine

Lugemata postitus Postitas xil »

Akupaagi puudumise (juhul kui tegu tahkeküttekatlaga) ja lahtise süsteemi osas võiks norida, aga see pole see teema. Põrandaküte koos loomuliku ringlusega töötab küll.
Mul oli kunagi põrandaküte sarnaselt esimesele korrusele ühendatud ja 26mm torudega, seega tingimused kehvemad. Oli küll kinnine süsteem, aga see ei tohiks rolli mängida. Ringluspump oli ka süsteemis, aga avastasin, et asi toimib siis ka, kui ringluspump välja lülitud ning nii ta jäi, kuni tahkeküttekatla soojuspumbaga asendasin. Soojuspumba väljundtemperatuur jäi loomuliku ringluse tekitamiseks lahjaks.
herila
Uus kasutaja
Uus kasutaja
Postitusi: 34
Liitunud: 16 Mär 2007, 18:31
On tänanud: 2 korda

Re: Põrandaküttekontuuri ühendamine

Lugemata postitus Postitas herila »

Tänan kõiki kaasa mõtlemast ja arvamust avaldamast!
Vasta