veemõõtja maandamine, kas vajalik?
-
elektrikvms
- Uus kasutaja

- Postitusi: 1
- Liitunud: 29 Aug 2025, 18:09
veemõõtja maandamine, kas vajalik?
Lugemata postitus Postitas elektrikvms »
-
madis64
- Ehituspenskar

- Postitusi: 3668
- Liitunud: 22 Juun 2009, 22:16
- On tänanud: 30 korda
- On tänatud: 91 korda
Re: veemõõtja maandamine, kas vajalik?
Lugemata postitus Postitas madis64 »
Projekt on või ei ole?
Torustik veemõõtja ümber millisest materjalist?
-
Küülaline
- Ehituspenskar

- Postitusi: 6700
- Liitunud: 02 Veebr 2009, 22:46
- On tänanud: 115 korda
- On tänatud: 149 korda
Re: veemõõtja maandamine, kas vajalik?
Lugemata postitus Postitas Küülaline »
-
madis64
- Ehituspenskar

- Postitusi: 3668
- Liitunud: 22 Juun 2009, 22:16
- On tänanud: 30 korda
- On tänatud: 91 korda
Re: veemõõtja maandamine, kas vajalik?
Lugemata postitus Postitas madis64 »
Arvestades asjaolu, et torustikus olev vesi on elektrijuht, pean ma seda nõuet täiesti põhjendatuks.Küülaline kirjutas: 29 Aug 2025, 19:50 Tallinna Vesi näiteks nõuab veemõõtja konsooli "maandamist" olenemata torude materjalist.
Veemõõtjat vahetav tehnik ei pea saama sirakat seetõttu, et kliendi boiler lekib voolu korpusesse.
-
kunn24
- Ehituspenskar

- Postitusi: 4429
- Liitunud: 11 Veebr 2018, 14:45
- On tänanud: 48 korda
- On tänatud: 147 korda
Re: veemõõtja maandamine, kas vajalik?
Lugemata postitus Postitas kunn24 »
-
madis64
- Ehituspenskar

- Postitusi: 3668
- Liitunud: 22 Juun 2009, 22:16
- On tänanud: 30 korda
- On tänatud: 91 korda
Re: veemõõtja maandamine, kas vajalik?
Lugemata postitus Postitas madis64 »
Soovitus on igati hea, kuid tegelikkus võib sellest paraku erineda ning Tallinna Vesi peab tagama oma töötajate ohutuse ja ei tegele kliendi elektripaigaldise kehtivatele nõuetele vastamise tuvastamise ega tõendamisega.kunn24 kirjutas: 29 Aug 2025, 20:58 Madise kirjeldatud probleemi vältimiseks soovitab HD 60364 kasutada boilerite, veekeetjate ja pesumasinate ees RVK-d <=30 mA.
-
kunn24
- Ehituspenskar

- Postitusi: 4429
- Liitunud: 11 Veebr 2018, 14:45
- On tänanud: 48 korda
- On tänatud: 147 korda
Re: veemõõtja maandamine, kas vajalik?
Lugemata postitus Postitas kunn24 »
Pealgi TV lubab selleks kasutada 2,5 mm2 juhet, kuid sama standard (60364 5-54) käsib kaitsmata PÜ juhiks min 4 mm2. Kuid lühidalt, kui pole keeruline ühendada, ühendage seal kõik kokku, mis aga võivad elektrit juhtida ja mida vaid tahtmist "võrku" mässida, kuid ma ei usu, et keegi järelevaataja nõudma tuleb, kui pinge ei tule sisse mööda metalseid torusid. Kuid särtsu saab madalpinges vaid siis, kui erineva pingega asjad on puuteulatuses (alla 2,5 m) ja juhivad piisavalt.
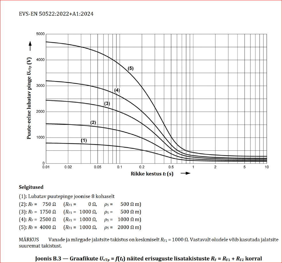
Lisaks, kõrgepingestandardid sätestavad lubatud puutepingeks paljaste jalgade ja kätega kuni 80 V ja seda kestusega üle 10 s. Kui on tavalised jalanõud jne (variandid erinevate takistustega), võib puuteeelne pinge paariks sekundiks minna ka üle 300 V. Kui vaja, võin diagrammi siia postitada. Madalpinge oma kuni 50 V. Vannitubadel ja basseinidel on oma reeglid, need erinevad.
Kui probleem TV jaoks akuutne, on olemas isikukaitsevahendid (botikud, kindad, jne).
Ja kui tõesti on oht boilerist, siis on ülimalt jabur, kui puuteulatuses on 0 ja 1. klassi seadmed, maandused, PÜ- see on lausa keelatud. Ehk kui boiler on PÜ-ga ühendamata, ei tohi selle juures ka muid asju PÜ-ga ühendada. Alustada tuleb siiski õigest otsast. Pingealtis asi on seal boiler, mitte veemõõtja. Maandamise skeem: pingealtid juhtivad osad (need, millesse läheb elektrikaabel) ja siis vajadusel kõrvalised juhtivad ja mitte mingil juhul puuteulatuses vastupidi. Vajadus võib näiteks tekkida, kui seal peal on pingestatud kaablid jms.
-
Küülaline
- Ehituspenskar

- Postitusi: 6700
- Liitunud: 02 Veebr 2009, 22:46
- On tänanud: 115 korda
- On tänatud: 149 korda
Re: veemõõtja maandamine, kas vajalik?
Lugemata postitus Postitas Küülaline »
Kas tohib küsida mis eksam selline on? Kas inseneri kutse saamiseks või uuendamiseks?
Võiksid küll postitada siia.kunn24 kirjutas: 29 Aug 2025, 21:26 kõrgepingestandardid sätestavad lubatud puutepingeks paljaste jalgade ja kätega kuni 80 V ja seda kestusega üle 10 s. Kui on tavalised jalanõud jne (variandid erinevate takistustega), võib puutepinge paariks sekundiks minna ka üle 300 V. Kui vaja, võin diagrammi siia postitada
Kas sa pead silmas lisapotentsiaaliühtlustust? Minuteada on laiatarbe boilerid 1. klassi seadmed, mille kere on ühendatud kaitsejuhiga ja ei vaja lisapotentsiaaliühtlustust ja kui on tõesti 2. klassi seade siis ammugi mitte.kunn24 kirjutas: 29 Aug 2025, 21:26kui tõesti on oht boilerist, siis on ülimalt jabur, kui puuteulatuses on 0 ja 1. klassi seadmed, maandused, PÜ- see on lausa keelatud ... kui boiler on PÜ-ga ühendamata, ei tohi selle juures ka muid asju PÜ-ga ühendada
-
kunn24
- Ehituspenskar

- Postitusi: 4429
- Liitunud: 11 Veebr 2018, 14:45
- On tänanud: 48 korda
- On tänatud: 147 korda
Re: veemõõtja maandamine, kas vajalik?
Lugemata postitus Postitas kunn24 »
3. Sul on osaliselt õigus (LPÜ-d võib kruttida ka PÜ-ga ühendatud seadme külge või nende vahele), kuid kuidagi vastasin Madise tekitatud poleemikale, sest kuskilt ta tõmbas välja, et veemõõtjate vahetajate elu olevat ülimalt riskantne. Tsiteerin: "Veemõõtjat vahetav tehnik ei pea saama sirakat seetõttu, et kliendi boiler lekib voolu korpusesse."
Seda saab ta vaid olla juhul, kui kaitsejuht on boileril lahti (sisuliselt 0-klassi tarbija). Sa võid ju siia lisada oma nägemuse, kuidas konsooli maandamine seda lahendab eeldusel, et väljast külge tuleb isoleeritud toru. Konsooli koos veemõõtjaga võib lugeda selle toru jätkuosaks. Puutepinge osas parandasin oma teksti, asendades selle "puuteeelse pingega". Samas tasub tähele panna (vt viimast pilti), et puute-eelne pinge ongi see, mis on seadmel teise juhtiva asja või maapinna suhtes.
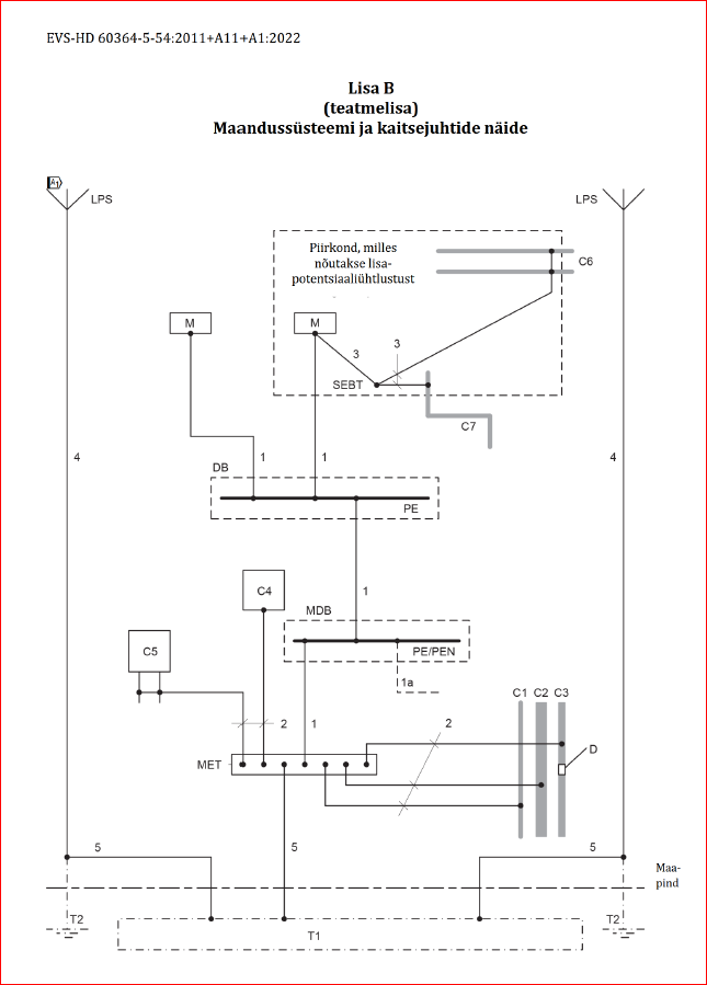
Lisan tüüpmaandusskeemi, kus on LPÜ-ga (joonisel üleval) VAID SISENEVAD METALLTORUD (ka kanalisatsioon võib minna selle alla) ja seda ka vaid 7-701 alusel ehk vannitoad ja duššid. Veemõõtja tavaliselt vannitoas ei asu. Kui asub, siis ka 7-701 jutt. Täpsemalt on kõrvaliste juhtivate osade LPÜ-ga ühendamine kirjutatud lahti hoopis 7-702 Ujumisbasseinid ja purskkaevud ja ka seal on paljud metallosad jäetud "õhku" ja seda ka tsoonides 0 ja 1. 2. Puuteeelne- ja puutepinged:
-
juhtmepunt
- Korralik postitaja

- Postitusi: 240
- Liitunud: 08 Veebr 2019, 16:17
- On tänanud: 17 korda
- On tänatud: 16 korda
Re: veemõõtja maandamine, kas vajalik?
Lugemata postitus Postitas juhtmepunt »
Eeldused:kunn24 kirjutas: 30 Aug 2025, 14:05
3. Sul on osaliselt õigus (LPÜ-d võib kruttida ka PÜ-ga ühendatud seadme külge või nende vahele), kuid kuidagi vastasin Madise tekitatud poleemikale, sest kuskilt ta tõmbas välja, et veemõõtjate vahetajate elu olevat ülimalt riskantne. Tsiteerin: "Veemõõtjat vahetav tehnik ei pea saama sirakat seetõttu, et kliendi boiler lekib voolu korpusesse."
Seda saab ta vaid olla juhul, kui kaitsejuht on boileril lahti (sisuliselt 0-klassi tarbija). Sa võid ju siia lisada oma nägemuse, kuidas konsooli maandamine seda lahendab eeldusel, et väljast külge tuleb isoleeritud toru. Konsooli koos veemõõtjaga võib lugeda selle toru jätkuosaks.
1. Kaitsejuht on boileril lahti või ühendamata jäetud
2. Boileri küttekeha on rikke tõttu pingestanud boileri metallkesta
3. Boileri ja veemõõtja konsooli vahel on plasttoru, nt DN20, pikkusega näiteks 1m
4. Konsoolist kusagile maja trassi suunduv veetoru on isoleeritud st plastist, torulõigu kaugus kuni metallist ja potentsiaaliühtlustusega ühendatud torustikulõiguni on 10 m ja enam
5. Isoleeritud (plastist) torustikus kasutusel olevad sulgekraanid on metallist korpusega
6. Vee-ettevõtjalt laekuva joogivee erijuhtivus on ca 500mikroS/cm
7. Veemõõtjat vahetav torumees puutub ühe palja käega veemõõtjat ja/või konsooli, teise käega aga toetab mingi tegelikult maandatud metalltarindi või toru vastu.
8. Veemõõtja konsool on potentsiaaliühtlustusega ühendamata.
Tulemus:
1. Torumees saab korraliku siraka, surma siiski ei saa
2. Saadava siraka voolutugevus on ca 4mA, mis on väga valus ja kindlasti korralikult ehmatav. Piisav, et torumees vandesõnade saatel uttu tõmbaks.
Kui konsool oleks olnud maandatud, jäänuks torumehele siraka näol ehmatusüllatus ära. Vastus: konsooli maandamine lahendab.
Enne kui sihitult täristama hakkad, hinga sügavalt sisse ja loe vahelduseks!
-
kunn24
- Ehituspenskar

- Postitusi: 4429
- Liitunud: 11 Veebr 2018, 14:45
- On tänanud: 48 korda
- On tänatud: 147 korda
Re: veemõõtja maandamine, kas vajalik?
Lugemata postitus Postitas kunn24 »
Lisaks, veemõõtjat vahetav isik on kindlasti ohtudest informeeritud (seega ohuteadlik) ja tal tungivalt soovitatud kasutada mingeidki kaitsevahendeid, parem variant kummikindaid ja mitte seda protseduuri sooritades käia samaaegselt käperdamas kõrvalisi seadmeid. Kas kindad omavad serti, ei omagi niiväga tähtust. Ma olen näinud veemõõtja vahetajat, kellel on taskus tavaline pingeindikaator ja enne käte külgepanekut on sellega veemõõtja üle käinud.
Seega su viimase lausega ma ei nõustu ja see abinõu pole kohane, kui on mujal meetmed rakendamata või paigaldis pole korras.
Lisaks ma olen isiklikult näinud, et veetrassi signaaljuhe on keeratud konsooli külge (see on tavaliselt kollaroheline, kuigi ei peaks seda olema), aga muid juhtmeid ei ole ühendatud. Paigaldise mõõtjad tavaliselt ironiseerivad selle pulli üle ja neil on küsimused stiilis:
-kas peavad igat ventiili hakkama mõõtma,
-kas igat segistit, mis plasttorudega ühenduses, mõõtma,
-ja kirss tordile, kas uksehinged ja käepidemed tuleb üle mõõta?
-
juhtmepunt
- Korralik postitaja

- Postitusi: 240
- Liitunud: 08 Veebr 2019, 16:17
- On tänanud: 17 korda
- On tänatud: 16 korda
Re: veemõõtja maandamine, kas vajalik?
Lugemata postitus Postitas juhtmepunt »
Vaata siia: https://tallinnavesi.ee/wp-content/uplo ... 9.2023.pdfelektrikvms kirjutas: 29 Aug 2025, 18:14 Tervist! nimelt ehitaja väidab, et veemõõdusõlmes pole arvesti maandamine vajalik, kuid targemad mehed kellelt küsin ütlevad et on vajalik. Ei leia aga, kus oleks kirjas et see tõesti on vajalik. Kas keegi oskab standardis õige koha õelda? evs-hd 60364 5-54 on mul olemas, kuid tõesti ei leia.
Vee-ettevõtja nõue. Õigustatud.
Enne kui sihitult täristama hakkad, hinga sügavalt sisse ja loe vahelduseks!
-
kunn24
- Ehituspenskar

- Postitusi: 4429
- Liitunud: 11 Veebr 2018, 14:45
- On tänanud: 48 korda
- On tänatud: 147 korda
Re: veemõõtja maandamine, kas vajalik?
Lugemata postitus Postitas kunn24 »
Sandardikohased on ühendada hoone maanduslatiga metalltorud, mis tulevad hoonesse sisse ja lisaPÜ puhul ruumi sisenevad (vt joonist ülevalpool) antud ruumi LPÜ-ga.
Viimsi vesi on treinud sellise huvitava jutu (Elektrit mittejuhtivast materjalist torustiku puhul tuleb kandur maandada) ja sinna lisanud Tepso pildi, mis haakub vaid elektrit juhtiva torustikuga.
https://www.google.com/url?sa=t&source= ... pwKFGx8mk9
Jõgeva veevärk nõuab maandamist "vajadusel" https://www.google.com/url?sa=t&source= ... aNfq5vLbiM
Kohila maja ei nõua midagi https://www.kohilamaja.ee/veemoodusolme ... ingimused/
Kose vesi samuti mitte https://www.kosevesi.ee/kliendile/veear ... mootesolm/
Igal omad variandid. Humoreske saab avastada, kui googeldada "veemõõdusõlmele esitatavad nõuded" järgi.
-
juhtmepunt
- Korralik postitaja

- Postitusi: 240
- Liitunud: 08 Veebr 2019, 16:17
- On tänanud: 17 korda
- On tänatud: 16 korda
Re: veemõõtja maandamine, kas vajalik?
Lugemata postitus Postitas juhtmepunt »
Kitsukeses renoveeritud korteris pelleri poti taga veemõõtjalt lapiga mustust pühkiv perenaine ei käi päris kindlasti elektriohutuskoolitustel ega indikaatoriga puhastatavat pinda mõõtmas. Veemõõtja on (eriti kitsastes korterioludes) tavakasutajale ligipääsetav ja katsutav asi. Või peaks sellele elektriohumärgiseid kleepima hakkama?kunn24 kirjutas: 05 Sept 2025, 14:19 Lisaks, veemõõtjat vahetav isik on kindlasti ohtudest informeeritud (seega ohuteadlik) ja tal tungivalt soovitatud kasutada mingeidki kaitsevahendeid, parem variant kummikindaid ja mitte seda protseduuri sooritades käia samaaegselt käperdamas kõrvalisi seadmeid.
Konsooli potentsiaaliühtlustus elimineerib ühtlasi "piiriülesed" suraka saamise ja saatmise probleemid. Juhul kui ka oma korteris on paigaldis ja seadmed vinks-vonks korras, aga vahetult seina taga tegutsev "oma peaga mõtlev" naabrimees vilistab kõigile nõuetele ja sarnaselt varasemalt kirjeldatud olukorrale ühendab boileri kaitsejuhti kasutamata (vesi ju soojaks läheb, kahesooneline kaabel kärab seega küll) ning boileri kest satub tema juures mingi hetk pinge alla.
Ses mõttes on tolle metallist juraka potentsiaaliühtlustus igati hea asi nagu piirivalvegi. Pätid ei pääse ei sisse ega välja vaid korjatakse erinevate omanike valduste piiril rajalt maha.
Enne kui sihitult täristama hakkad, hinga sügavalt sisse ja loe vahelduseks!
-
madis64
- Ehituspenskar

- Postitusi: 3668
- Liitunud: 22 Juun 2009, 22:16
- On tänanud: 30 korda
- On tänatud: 91 korda
Re: veemõõtja maandamine, kas vajalik?
Lugemata postitus Postitas madis64 »
Millest peaks veemõõtjat vahetav isik informeeritud olema - kõrgepinge võimalusest tarbija torustikus?kunn24 kirjutas: 05 Sept 2025, 14:19 Lisaks, veemõõtjat vahetav isik on kindlasti ohtudest informeeritud (seega ohuteadlik) ja tal tungivalt soovitatud kasutada mingeidki kaitsevahendeid, parem variant kummikindaid ...
Veemõõtja vahetaja lähtub eeldusest, et paigaldis on muudetud - esitatud nõuete kohaselt - ohutuks nii et tema tegevus (veemõõtja vahetamine) ei tekita temale füüsikalise teguri riski (elektrilöögi ohtu).
Kuidas seda tehakse, ei ole vahetaja mure.
-
kunn24
- Ehituspenskar

- Postitusi: 4429
- Liitunud: 11 Veebr 2018, 14:45
- On tänanud: 48 korda
- On tänatud: 147 korda
Re: veemõõtja maandamine, kas vajalik?
Lugemata postitus Postitas kunn24 »
Tuletame siis veel kord meelde, te LPÜ on LISAkaitsemeede koos rikkevoolukaitsega. Aga ma olen seda meelt, et Taltekist ei tohiks pidevalt sellist esoteerikat tulla. Aga olgu, jõudu,
-
Urmas
- autodidakt
- Postitusi: 13456
- Liitunud: 17 Apr 2009, 23:51
- On tänanud: 411 korda
- On tänatud: 450 korda
Re: veemõõtja maandamine, kas vajalik?
Lugemata postitus Postitas Urmas »
Ja millied on sm kunn24 initsiaalid päriselus?kunn24 kirjutas: 05 Sept 2025, 20:37 Sm juhtmepunt (päriselus hr RK), mis saab sel juhul sama torustiku peal asuvate sulguritega?
-
A23
- Ehitusveteran

- Postitusi: 1829
- Liitunud: 05 Mär 2023, 01:06
- On tänanud: 22 korda
- On tänatud: 57 korda
Re: veemõõtja maandamine, kas vajalik?
Lugemata postitus Postitas A23 »
Huvi pärast, kui keegi viitsib valgustada, kuidas vanasti oli?kunn24 kirjutas: 05 Sept 2025, 20:37 Sm juhtmepunt (päriselus hr RK), mis saab sel juhul sama torustiku peal asuvate sulguritega? Kas neile Teie pinge all olev vesi ei satugi? Järgmine ohuallikas on sel juhul maja küljes kastmiskraan - kas maandate igaks juhuks muru ära või vastupidi, ühendate kraanile külge PÜ võrgu terve kastatava pinna alla (näiteks 3 mm silmaga) jne. Äkki tuletaks teile siiski meelde, et esimene ohutusabinõu on isolatsioon, siis rikkis seade (võimalusel automaatselt) välja lülitada, järgmine tehniline kontroll, paigaldiste kvalifitseeritud tegemine jne. Ajaa, Kose valla rahvaarvu vähesus võrreldes Tallinnaga on siis see, et seal Kose vesi ei nõua veemõõtja maandusi.
Tuletame siis veel kord meelde, te LPÜ on LISAkaitsemeede koos rikkevoolukaitsega.
Lisakaitse 2.PNG
Aga ma olen seda meelt, et Taltekist ei tohiks pidevalt sellist esoteerikat tulla. Aga olgu, jõudu,![]()
PÜ on ju varasem "väljamõeldis" kui RVK.
-
Küülaline
- Ehituspenskar

- Postitusi: 6700
- Liitunud: 02 Veebr 2009, 22:46
- On tänanud: 115 korda
- On tänatud: 149 korda
Re: veemõõtja maandamine, kas vajalik?
Lugemata postitus Postitas Küülaline »
Vanasti olid terasest torud ja kõik oli lihtne.
-
juhtmepunt
- Korralik postitaja

- Postitusi: 240
- Liitunud: 08 Veebr 2019, 16:17
- On tänanud: 17 korda
- On tänatud: 16 korda
Re: veemõõtja maandamine, kas vajalik?
Lugemata postitus Postitas juhtmepunt »
Vana probleem, aga lihtsalt uues kaasaegses kuues. Terastoru ei ole ainus, mis elektrit juhib. Nagu eespool mõned osalejad õigesti märkisid, on ka joogivesi (terasega võrreldes mitteküll nii hea) elektrijuht ning sealtkaudu saab siiski ühtteist surakat teatud maani liikuda. Ma mõistan täiesti nende veeettevõtjate veemõõtja/konsooli PÜ-ga ühendamise nõuet, kindlustamaks oma töötajate turvatunne kasvõi nt seinataguses naaberkorteris möllavate elektrikuliibinite vastu.
Sama teema (vedelikuteed pidi liikuda võiva elektri rajalt maha võtmise teostuslahendus) meditsiiniseadmete valdkonnast. Nõuded muidugi karmimad, aga probleem millega tegeletakse on sisult sama. Luuakse kontrollpost kus kõik pätid saavad maha võetud.
Enne kui sihitult täristama hakkad, hinga sügavalt sisse ja loe vahelduseks!
-
kunn24
- Ehituspenskar

- Postitusi: 4429
- Liitunud: 11 Veebr 2018, 14:45
- On tänanud: 48 korda
- On tänatud: 147 korda
Re: veemõõtja maandamine, kas vajalik?
Lugemata postitus Postitas kunn24 »
Aga tulles teemaossa, siis kui juhid pinge all oleva vee maandatud veemõõtja konsooli ja tuleb tehnik ning haarab käega maandatud konsoolist ja teine on kontaktis pingestatud veega- siis kas sina vastutad isiklikult tagajärje eest? Kas tõesti arvad, et vee üleminekutakistus konsooli metalldetailide (tavaliselt kaetud mingi oksiidikihiga lisaks) juures on selline, et tagaks vee pinge allasaamise samasse, 12 V suurujärku ja oled nõus lahendusele alla kirjutama? Ehk sinu eelduste järgi, mida sa vapralt soovitad, on see kõige ohtlikum lahendus üldse. Järgmine oleks maandamata konsool ja pinge all sisenev vesi.
Eespool panin eelduse, LPÜ puhul tuleb rike katkestada RVK-ga, sinu eeldus on, et vesi on pidevalt pinge all. Rohkem ma ei viitsi seda jama jätkata ja sina ka, palun ära topi siia täiesti ebakohaseid lahendusi mis on näivalt õiged.
-
juhtmepunt
- Korralik postitaja

- Postitusi: 240
- Liitunud: 08 Veebr 2019, 16:17
- On tänanud: 17 korda
- On tänatud: 16 korda
Re: veemõõtja maandamine, kas vajalik?
Lugemata postitus Postitas juhtmepunt »
Paluks kirjeldust, kuidas paigaldajal pingestatud veeni õnnestub jõuda, kui veemõõtja konsool on maandatud?kunn24 kirjutas: 08 Sept 2025, 14:22 Aga tulles teemaossa, siis kui juhid pinge all oleva vee maandatud veemõõtja konsooli ja tuleb tehnik ning haarab käega maandatud konsoolist ja teine on kontaktis pingestatud veega- siis kas sina vastutad isiklikult tagajärje eest? Ehk sinu eelduste järgi, mida sa vapralt soovitad, on see kõige ohtlikum lahendus üldse. Järgmine oleks maandamata konsool ja pinge all sisenev vesi.
Probleem on jätkuvalt sama. Ignoreerid probleemi ennast? Reeglid (piirmäärad jms) on teised, ehk siis teostusviisid (isolatsioonid nt.) on kraad kangemad. Omaarust kirjutasin üsna selgelt: Nõuded muidugi karmimad, aga probleem millega tegeletakse on sisult sama.kunn24 kirjutas: 08 Sept 2025, 14:22Soovitad küll toredaid asju valdkonda, kus selliseid ei ole vaja kasutada. Meditsiiniseadmete tegemine on hoopis teiste reeglite järgi.
Tuleb. Peab. Tuleta meelde tavalise RVK rakendusläve. Ennist sai näidisarvutatud lekkevooluks 4mA. Ignoreerid?kunn24 kirjutas: 08 Sept 2025, 14:22 Eespool panin eelduse, LPÜ puhul tuleb rike katkestada RVK-ga, sinu eeldus on, et vesi on pidevalt pinge all.
Vaata ülespoole: 2. Saadava siraka voolutugevus on ca 4mA, mis on väga valus ja kindlasti korralikult ehmatav. Piisav, et torumees vandesõnade saatel uttu tõmbaks.
Enne kui sihitult täristama hakkad, hinga sügavalt sisse ja loe vahelduseks!
-
kunn24
- Ehituspenskar

- Postitusi: 4429
- Liitunud: 11 Veebr 2018, 14:45
- On tänanud: 48 korda
- On tänatud: 147 korda
Re: veemõõtja maandamine, kas vajalik?
Lugemata postitus Postitas kunn24 »
Kuigi su meditsiinisedmete tegija ettevaatlikkus võiks siis juba pigem keskenduda üldse TN elektrisüsteemi ohtudele.
-
juhtmepunt
- Korralik postitaja

- Postitusi: 240
- Liitunud: 08 Veebr 2019, 16:17
- On tänanud: 17 korda
- On tänatud: 16 korda
Re: veemõõtja maandamine, kas vajalik?
Lugemata postitus Postitas juhtmepunt »
Ei, minu ainus väide on, et PÜ-ga ühendatud konsooli/veemõõtja pinge maa suhtes on 0V ja see on just see, mida veemõõtjat vahetavale tehnikule turvatundeks vaja on.kunn24 kirjutas: 08 Sept 2025, 15:12 Kas sinu väide on, veemõtja konsooli lyhike metallist torujupp alanab kindlalt vee pinge alla 12V?
Sa saad ise arvutuskäike oma 12V (mitte küll asjasse mittepuutuvale) teemale välja pakkuda.
Enne kui sihitult täristama hakkad, hinga sügavalt sisse ja loe vahelduseks!
-
kunn24
- Ehituspenskar

- Postitusi: 4429
- Liitunud: 11 Veebr 2018, 14:45
- On tänanud: 48 korda
- On tänatud: 147 korda
Re: veemõõtja maandamine, kas vajalik?
Lugemata postitus Postitas kunn24 »
Mine “Veevarustus, kanalisatsioon, käimlad”
- Ehitusfoorum
- ↳ Üldfoorum
- ↳ Ahjud, kaminad, korstnad
- ↳ Aiad, väravad
- ↳ Aknad, uksed
- ↳ Betoon ja betoonitooted
- ↳ Ehitustööriistad
- ↳ Ehitusmaterjalid
- ↳ Elekter, elektriseadmed
- ↳ Energiamärgis ja energiaaudit
- ↳ Fassaadide arutelu
- ↳ Katused, laed
- ↳ Hüdroisolatsioon
- ↳ Kaevud
- ↳ Konstruktsioonid, seinad
- ↳ Küttesüsteemid
- ↳ Palkmajad
- ↳ Projekteerimine, projektid
- ↳ Põrandad
- ↳ Puit ja puidutooted
- ↳ Restaureerimine
- ↳ Seadusandlus
- ↳ Soojustus, isolatsioon
- ↳ Saunad, dussiruumid, vannitoad, sanitaartehnika
- ↳ Siseviimistlus, värvid, plaatimistööd
- ↳ Ventilatsioon
- ↳ Veevarustus, kanalisatsioon, käimlad
- ↳ Vundamendid
- ↳ Naljanurk
- ↳ Arhiiv
- Ärifoorumid
- ↳ Otsin tööd
- ↳ Pakun tööd
- ↳ Ostu-müügifoorum
- ↳ Annan/võtan rendile
- ↳ Hinnapäring